El paquete incluye: Por favor, siga estrictamente las instrucciones y advertencias antes de usar este producto:
Características destacadas
- Motor Paso a Paso Nema23 23HS2430B: Fase: 2 Fases; Tipo: Híbrido; Ángulo de Paso: 1.8 grados; Corriente: 3.0A; Par de retención: 425oz-in (2.98Nm) 280Ncm; Eje: Doble Eje; Diámetro del eje: 8mm; 4 Cables de Conexión; Conexiones: A+ a Rojo / A- a Verde / B+ a Amarillo / B- a Azul Tamaño del Motor: 57x57x112mm
- Controlador de Motor Paso a Paso DM556S: Corriente: 1.0A-6.0A; Micro-paso del controlador: 200-51200 subdivisiones, adopta tecnología de procesamiento digital DSP de 32 bits; Voltaje de Entrada: 20-50V DC
- Característica del Controlador: Debido al uso de tecnología de micro-subdivisión incorporada, incluso en condiciones de baja subdivisión, también se puede lograr un alto efecto de subdivisión, operación a baja, media y alta velocidad es muy suave, ultra-bajo ruido
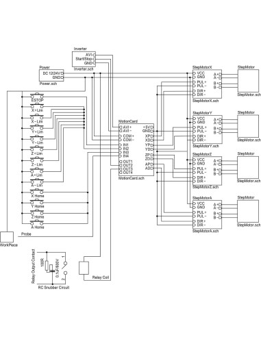
- Tarjeta de Control USB Mach3 de 4 Ejes: La interfaz USB es aplicable a cualquier netbook, portátil, escritorio, tableta y otras computadoras compatibles con USB. Esta tarjeta de control no requiere que se instalen controladores; Siempre que Mach3 pueda ejecutarse, la tarjeta de control se puede usar; Soporta sistema operativo de computadora: Windows 2000 / XP / Windows 7 / 8 / 10
- Fuente de alimentación conmutada DC de 400W 36V 9.7A; Voltaje de Salida: 36V; Entrada: 110-120V AC o 220-240V AC; Fuente de alimentación conmutada de 75W 24V DC Voltaje de entrada: 100-240V AC; Voltaje de salida: 24V; Esta fuente de alimentación de 24V se utiliza para alimentar la tarjeta de control USB Mach3 de 4 ejes
Modelo de esta publicación
- Estilo: 3-Ejes-USB-Mach3-B
Especificaciones técnicas
- Estilo: 3-Ejes-USB-Mach3-B
- Fabricante: Changzhou Rattm Motor Co.,Ltd
- Baterías requeridas: No
- Componentes incluidos: motor paso a paso / controlador / tarjeta / cable / fuente de alimentación
- Peso: 7.07 kg
- Dimensiones: Ancho: 5.68 cm, Alto: 5.68 cm, Profundidad: 5.68 cm
