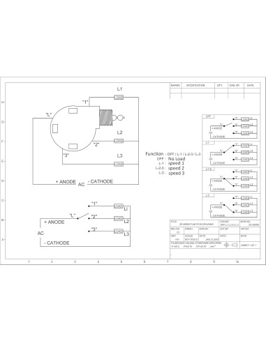
Los interruptores de cadena y los condensadores de ventilador CBB61 tienen una vida útil limitada y necesitan ser reemplazados periódicamente. Elija este interruptor de cadena de ventilador de techo + condensador de ventilador CBB61 y reemplace el viejo en los siguientes casos: Si el ventilador no arranca o es difícil de arrancar. Si la velocidad del ventilador disminuye. Si la velocidad del ventilador no se puede cambiar. Por favor, registre la conexión de los cables antes de cambiar el condensador y el interruptor del ventilador en su ventilador. Condensador CBB61 4.5uF + 6uF + 5uF / 5uF + 5uF + 5uF / 4uF + 4uF + 2.5uF / 4.5uF + 6uF + 6uF Tolerancia del condensador 5% 250V-300VAC, 50/60HZ, 70 grados Celsius temperatura máxima de funcionamiento. 5 cables de colores, gris + gris + rojo + marrón + púrpura u otros longitud del cable: 115 mm (4.5 pulgadas) Tamaño del cuerpo: 48x38x26mm (1.89x1.5x1.02 pulgadas) (4.5uF + 6uF + 5uF y 5uF + 5uF + 5uF) Tamaño del cuerpo: 50x29x23mm (1.97x1.14x0.9 pulgadas) (4uF + 4uF + 2.5uF) Tamaño del cuerpo: 50x33x23mm (1.97x1.3x0.9 pulgadas) (4.5uF + 6uF + 6uF) Control de 3 velocidades: Alto / Medio / Bajo / Apagar 4 Cables: Apagar / L-1 / L-2-3 / L-3 Tipo de interruptor: Interruptor de cadena Voltaje de trabajo: 125 ~ 250 V Corriente máxima: 6 A Clasificación eléctrica: 6A/125VAC - 3A/250VAC Aprobado por UL (EE. UU.) - Certificado por CSA (Canadá) Lista de empaque: 1 pcs interruptor de ventilador de techo, 1 pcs condensador cbb61 Uso múltiple en todo tipo de ventiladores de techo / ventiladores de pared / ventiladores de pie / luces de ventilador de techo / luces de lectura / luces de mesa / lámpara de noche
Características destacadas
- Interruptor de ventilador de techo: Interruptor de cadena de ventilador de techo 3 velocidades 4 cables. Corriente máxima 6A, Voltaje máximo 250V. Aprobado por UL (EE. UU.), Certificado por CSA (Canadá)
- Condensador de ventilador de techo: Viene con condensador de ventilador CBB61, 4.5uF + 6uF + 5uF, 5 cables de colores, 250V-300VAC, 50/60HZ, 70 grados Celsius temperatura máxima de funcionamiento
- 3 velocidades de ventilador: La combinación del interruptor de ventilador de techo y el condensador de ventilador permite que el ventilador tenga 3 velocidades (ALTO-MEDIO-BAJO-APAGADO)
- Haga que el ventilador fallido funcione nuevamente: Si el ventilador no arranca, o si la velocidad disminuye, elija este condensador CBB61 y reemplace el viejo
- Componentes universales: Se utiliza ampliamente para el control de velocidad del motor y el control de conmutación. Compatible con Hunter, Hampton Bay, Harbor Breeze y otras marcas de ventiladores de techo. También se utiliza para el control de luz
Modelo de esta publicación
- Color: Antiguo, 4.5+6+5uF
Especificaciones técnicas
- Color: Antiguo, 4.5+6+5uF
- Marca: YukiHalu
- Uso: control de velocidades de ventilador de techo, reparación de ventilador de techo, reemplazo
- Potencia: 1.5E+3
- Terminal: Conexión de cable
- Cantidad de unidad: 2.0 Cantidad
- Longitud del cable: 115 Milímetros
- Número de parte: ZE-268S6 Antiguo, 4.5+6+5uF
- Tipo de circuito: 4 vías
- Tipo de contacto: Interruptor de cadena
- Fabricante: YukiHalu
- Fuente de energía: CA
- Tipo de actuador: Rotativo
- Tipo de conector: Enchufar
- Método de control: Tocar
- Clasificación de corriente: 6 Amperios
- Modo de operación: APAGADO-VELOCIDAD1-VELOCIDAD2-VELOCIDAD3
- Tipo de controlador: Control manual
- Número de artículos: 2
- Material de contacto: Cobre
- Características especiales: 3 velocidades de ventilador
- País de origen: China
- Número de modelo del artículo: ZE-268S6 Antiguo, 4.5+6+5uF
- Voltaje de funcionamiento: 250 Voltios (CA)
- Baterías incluidas: No
- Baterías requeridas: No
- Componentes incluidos: interruptor de cadena de ventilador de techo, condensador de ventilador CBB61
- Número de posiciones: 4
- Protocolo de conectividad: X-10
- Clasificación de temperatura máxima: 70 Grados Celsius
- Está descontinuado por el fabricante: No
- Peso: 0.2 kg
- Dimensiones: Ancho: 4.826 cm, Alto: 2.54 cm, Profundidad: 3.886 cm
