Los interruptores de cadena y los condensadores de ventilador CBB61 tienen una vida útil limitada y deben ser reemplazados periódicamente. Elija este interruptor de cadena de ventilador de techo + condensador de ventilador CBB61 y reemplace el viejo en los siguientes casos: Si el ventilador no arranca o es difícil de arrancar. Si la velocidad del ventilador disminuye. Si la velocidad del ventilador no se puede cambiar. Por favor, registre la conexión de los cables antes de cambiar el condensador y el interruptor del ventilador en su ventilador. Condensador CBB61 4.5uF + 6uF + 5uF / 5uF + 5uF + 5uF / 4uF + 4uF + 2.5uF / 4.5uF + 6uF + 6uF Tolerancia del condensador 5% 250V-300VAC, 50/60HZ, 70 grados Celsius temperatura máxima de funcionamiento. 5 cables de colores, gris + gris + rojo + marrón + púrpura u otros longitud del cable: 115 mm (4.5 pulgadas) Tamaño del cuerpo: 48x38x26mm (1.89x1.5x1.02 pulgadas) (4.5uF + 6uF + 5uF y 5uF + 5uF + 5uF) Tamaño del cuerpo: 50x29x23mm (1.97x1.14x0.9 pulgadas) (4uF + 4uF + 2.5uF) Tamaño del cuerpo: 50x33x23mm (1.97x1.3x0.9 pulgadas) (4.5uF + 6uF + 6uF) Control de 3 velocidades: Alto / Medio / Bajo / Apagar 4 Cables: Apagar / L-1 / L-2-3 / L-3 Tipo de interruptor: Interruptor de cadena Voltaje de trabajo: 125 ~ 250 V Corriente máxima: 6 A Clasificación eléctrica: 6A/125VAC - 3A/250VAC Aprobado por UL (EE. UU.) - Certificado por CSA (Canadá) Lista de empaque: 1 pieza interruptor de ventilador de techo, 1 pieza condensador cbb61 Uso múltiple en todo tipo de ventiladores de techo / ventiladores de pared / ventiladores de pie / luces de ventilador de techo / luces de lectura / luces de mesa / lámpara de noche
Características destacadas
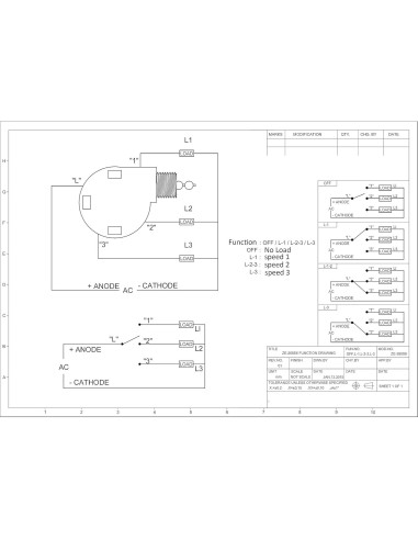
- Interruptor de ventilador de techo: Interruptor de cadena de ventilador de techo 3 velocidades 4 cables. Corriente máxima 6A, Voltaje máximo 250V. Aprobado por UL (EE. UU.), Certificado por CSA (Canadá)
- Condensador de ventilador de techo: Viene con condensador de ventilador CBB61, 5uF + 5uF + 5uF, 5 cables de colores, 250V-300VAC, 50/60HZ, 70 grados Celsius temperatura máxima de funcionamiento
- 3 velocidades de ventilador: La combinación del interruptor de ventilador de techo y el condensador de ventilador permite que el ventilador tenga 3 velocidades (ALTO-MEDIO-BAJO-APAGADO)
- Haga que el ventilador fallido funcione nuevamente: Si el ventilador no arranca, o si la velocidad disminuye, elija este condensador CBB61 y reemplace el viejo
- Componentes universales: Se utiliza ampliamente para el control de velocidad del motor y el control de conmutación. Compatible con Hunter, Hampton Bay, Harbor Breeze y otras marcas de ventiladores de techo. También se utiliza para el control de luz
Modelo de esta publicación
- Color: Níquel, 5+5+5uF
Especificaciones técnicas
- Color: Níquel, 5+5+5uF
- Marca: YukiHalu
- Potencia: 750 vatios
- Terminal: Conexión de cable
- Fabricante: YukiHalu
- Tipo de montaje: Montaje en superficie
- Número de parte: ZE-268S6 Níquel, 5+5+5uF
- Tipo de actuador: Rotativo
- Tipo de circuito: 4 vías
- Tipo de conector: Conector de cable
- Tipo de contacto: Normalmente abierto
- Modo de operación: APAGADO-VELOCIDAD1-VELOCIDAD2-VELOCIDAD3
- Método de control: Remoto
- Baterías incluidas: No
- Cantidad por unidad: 2.0 Cantidad
- Tipo de controlador: control manual
- Baterías requeridas: No
- Material de contacto: Cobre
- Componentes incluidos: Interruptor de cadena de ventilador de techo, condensador de ventilador cbb61 5+5+5uf
- Número de artículos: 2
- Número de posiciones: 4
- Protocolo de conectividad: X-10
- Voltaje de funcionamiento: 120 Voltios (CA)
- Clasificación de corriente: 6 Amperios
- Número de modelo del artículo: ZE-268S6 Níquel, 5+5+5uF
- Clasificación de temperatura máxima: 70 Grados Celsius
- Peso: 0.2 kg
- Dimensiones: Ancho: 4.826 cm, Alto: 2.54 cm, Profundidad: 3.886 cm
